This website works better with JavaScript
首页
发现
帮助
登录
TC
/
RemdesKVM
关注
1
点赞
0
派生
0
文件
工单管理
0
合并请求
0
Wiki
目录树:
f1eb4bfc58
分支列表
标签列表
master
RemdesKVM
/
KVMPCB
/
v1
/
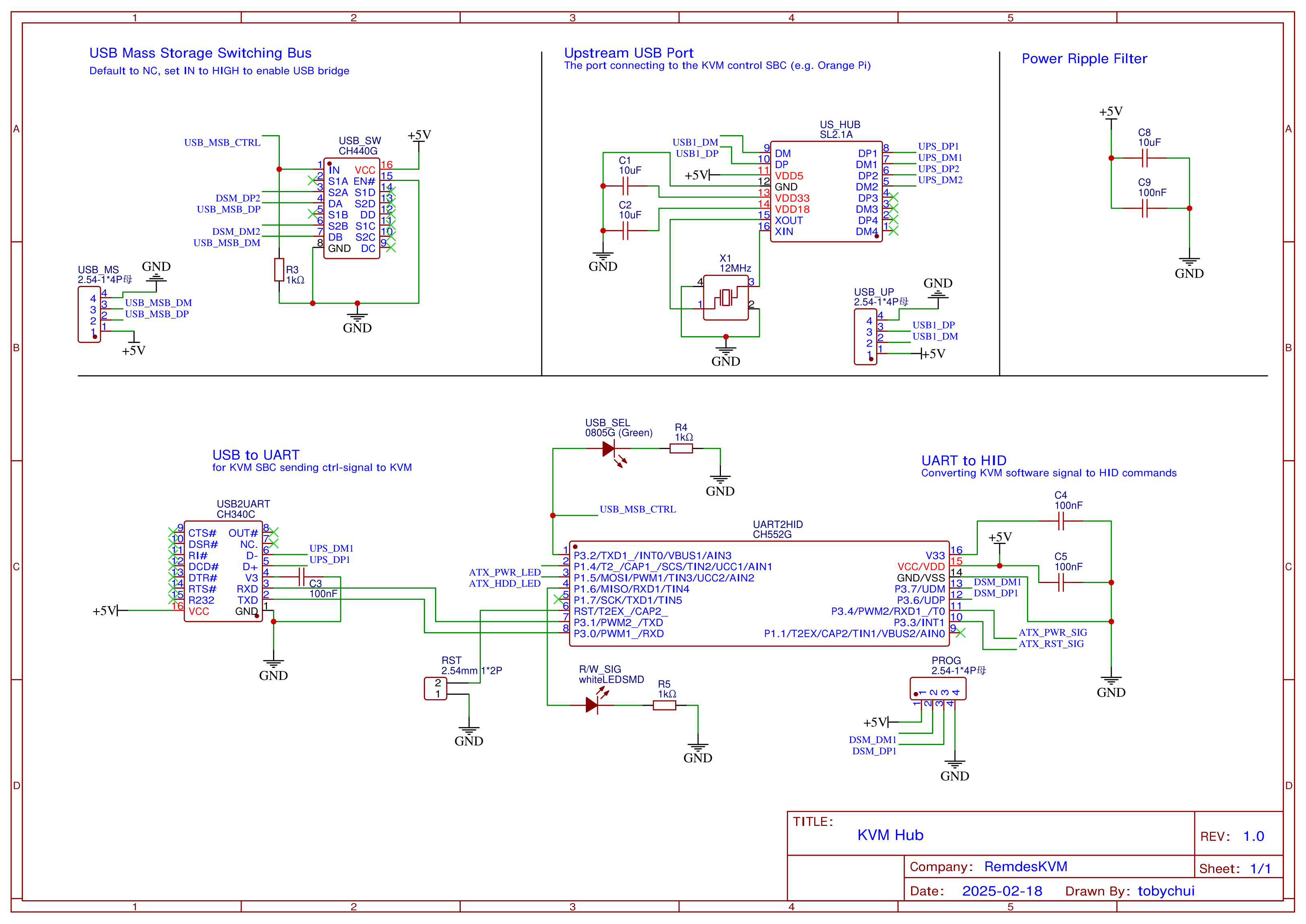
Schematic_RemdesKVM_2025-02-23-1.png
Schematic_RemdesKVM_2025-02-23-1.png
295 KB
文件历史
原始文件