This website works better with JavaScript
Halaman utama
Jelajahi
Bantuan
Masuk
TC
/
RemdesKVM
Liatin
1
Bintangi
0
Fork
0
Berkas
Masalah
0
Permintaan Tarik
0
Wiki
Pohon:
84064f08bd
Ranting
Tag
master
RemdesKVM
/
KVMPCB
/
v1
/
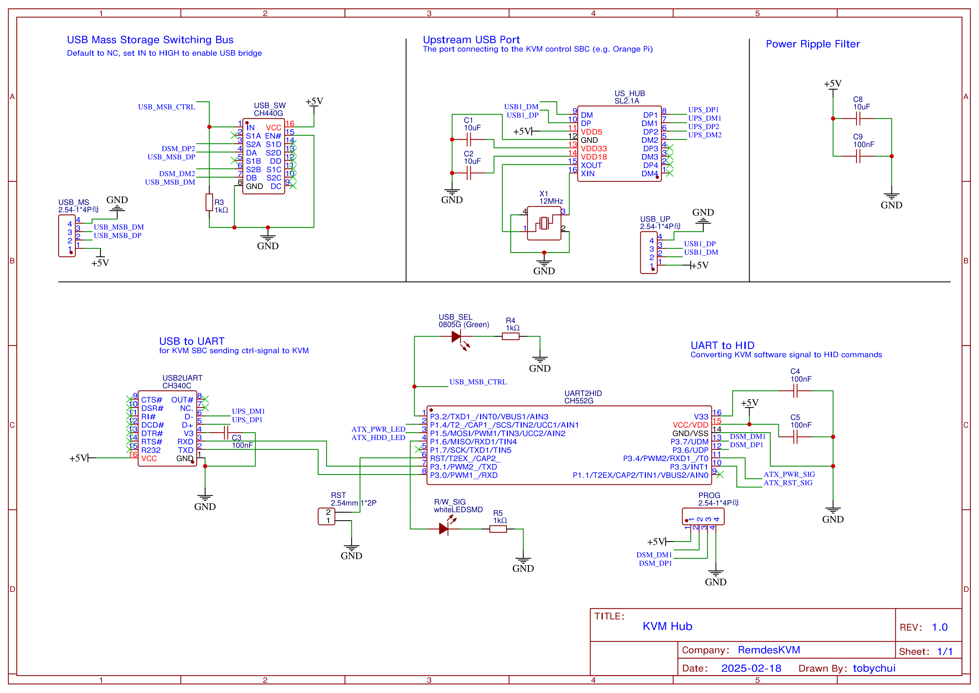
Schematic_RemdesKVM_2025-02-23-1.png
Schematic_RemdesKVM_2025-02-23-1.png
295 KB
Riwayat
Mentahan